Widerstandsnetz Physik – Widerstandsgesetz in Physik
Di: Samuel
(00:26) Die wichtigste Formel der elektrischen Leistung lautet.

Elektrischer Widerstand
Berechne den elektrischen Widerstand einer Haushaltsglühlampe, die beim Betrieb an der Netzspannung mit 230 V eine Leistung von 100 W hat. Für eine Glühlampe ( 3, 8 V / 0, 07 A) wurden folgende Strom-Spannungs-Werte ermittelt: Zeichne das entsprechende I – U -Diagramm und das U – R -Diagramm.
Stromstärke berechnen • Formeln für die Stromstärke
Oben auf der Schaltfläche befindet sich der Reset-Button, der eine Schaltung mit einem einzigen Widerstand herstellt. Mit dieser Simulation lassen sich aus (ohmschen) Widerständen, idealen Induktionsspulen (ohne Widerstand) und Kondensatoren einfache Wechselstromkreise aufbauen. Dem elektrischen Strom wird damit fast kein Widerstand mehr entgegen gesetzt, weswegen ein Kurzschluss entsteht.
Stromstärke, Spannung und Widerstand — Grundwissen Physik
Ihr Formelzeichen ist I und ihre Einheit das Ampere (A).
Spezifischer Widerstand
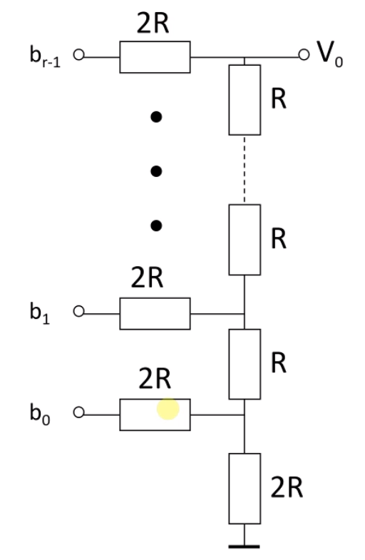
Die Formel des Ohmschen Gesetz lautet: U = R · I. Bei der Darstellung in Form einer U – I -Kennlinie ist der Proportionalitätsfaktor jedoch der sog. Könnte es mir jemand bitte erläutern, habe . Für den spezifische Widerstand gilt ρ = R ⋅ A l, der Widerstand eines Leiters berechnet man mittels R = ρ ⋅ l A. Der elektrische Widerstand ist ein Maß für die Behinderung des Stromflusses. R: elektrische Widerstand. Oben auf der Schaltfläche befinden sich zwei Eingabefelder für die Spannung und die Frequenz . Daraus ergibt sich, I ist gleich Q durch t: Die Ladung Q wird dir in Coulomb (C) angegeben. Elektrische Leiter, die dieser Proportionalität folgen, nennt .Heute im PHYSIK-UNTERRICHT: : | Elektrischer Widerstand | Der elektrische Widerstand ist in der Elektrotechnik ein Maß dafür, welche elektrische Spannung erforderlich ist, um eine bestimmte elektrische Stromstärke durch einen elektrischen Leiter (Bauelement, Stromkreis) fließen zu lassen. Unten sieht man die Messreihe und weiter unten habe ich die drei Messreihen auch grafisch dargestellt.Physik; Schaltung; Universität; Unterschied und Vorteile/Nachteil [Binär gewichtetes Widerstandsnetz und R/2R-Netz]? Hallo Leute, Ich kann mit den beiden Netzen rechnen und die Spannungen berechnen nur verstehe ich den Unterschied nicht.000 Lern-Inhalte in Mathe, Deutsch und 7 weiteren Fächern. Nun wollen wir mehrere Widerstände hintereinander schalten. Gute Leiter wie Silber oder Kupfer haben einen geringen spezifischen Widerstand, Isolatoren einen sehr hohen spezifischen Widerstand.Mit unserer App hast du immer und überall Zugriff auf: Lernvideos, Erklärungen mit interaktiven Animationen, Übungsaufgaben, Karteikarten, individuelle Lernpläne uvm. Wir beschreiben es durch die Gleichung U = R ⋅ I Den Proportionalitätsfaktor R bezeichnet man als elektrischen Widerstand. Thomas Scheunert. Wenn sich also viel elektrische Ladung durch den Leiter bewegt, dann . (P=U*I) Jetzt musst du nur noch den Widerstand berechnen: R=U/I, also 230 V durch 10 A und erhälst 23 Ohm.Der Gesamtwiderstand für Reihenschaltungen zur Berechnung von Teilspannung U2 über R2 wird wie folgt berechnet: Rges = R1 +R2. Berechnen Sie den Gesamtwiderstand .In der Fachzeitschrift „Science Advances“ berichten nun Martin Ziegler und seine Kollegen von der Universität Kiel, wie sich mit sogenannten memristiven Bauelementen die Funktion des Gehirns nachspielen lässt.Unter einem Wechselstromkreis versteht man einen Stromkreis, in dem sich die Polarität der elektrischen Quelle periodisch so ändert, dass sich auch die Flussrichtung periodisch ändert.Elektrische Leistung Formel.Widerstandsnetzwerke sind eine grundlegende Komponente in der Elektrotechnik und Elektronik.Wenn du aber keinen Widerstand gegeben hast, dann musst du zuerst den Wert des Widerstands ermitteln. An ihm muss eine elektrische Spannung (Ladungsdifferenz) . Diese Proportionalität ist vom Proportionalitätsfaktor, dem elektrischen Widerstand R abhängig und wurde nach dem Entdecker dieses Zusammenhangs benannt: Das Ohmsche Gesetz. Leitwert und nicht der Widerstand R des Leiters. Sächsisches Staatsinstitut für Bildung und Schul-entwicklung – Comeniusinstitut, Dr.Gleichstrom vs Wechselstrom — Stromstärke Wechselstrom. Insgesamt sind das 100 Wechsel pro Sekunde.Im Widerstandsgesetz sind die Zusammenhänge zwischen dem Aufbau eines metallischen Leiters und seinem elektrischen Widerstand erfasst. Je stärker die Behinderung, desto größer ist der Widerstand.

Der Drehstrom, auch Dreiphasenwechselstrom genannt, ist in der Elektrotechnik ein Wechselstrom mit drei Phasen bzw.Willkommen bei LEIFIphysik. Diese müssen für eine Berechnung zusammengefasst werden.

Stromstärke, Spannung und Widerstand.Hinweise zur Auswahl und zur Konstruktion von Aufgaben für die Sächsische Physikolympiade.Stromstärke, Spannung und Widerstand ¶. Auf dem Weg des geringsten Widerstands gelangt der Strom .Zur Definition: Hinweis: Ladungen stoßen – zum Beispiel im metallischen Leiter – gegen die Ionen des Metallgitters und diese behindern damit ihre Bewegung. Diese wird auch Y-Schaltung genannt, da das Aussehen der Schaltung einem „Y . kann mir jemand bitte sagen, was die Unterschiede, Vorteile und Nachteile und wann .Stromstärke berechnen: Ladung und Zeit. Dabei ist P die elektrische Leistung in Watt, U die elektrische Spannung in Volt und .
Widerstand
Widerstände in Stromkreisen in Physik
Durch das Lämpchen fließt bei einer Spannung von 3, 8 V ein Strom von . zur Stelle im Video springen. Der elektrische Widerstand eines Bauelementes oder Gerätes gibt an, welche Spannung für einen elektrischen Strom der Stärke 1 A erforderlich ist. Das kannst du selber für jedes Ding berechnen. Gefragt 26 Nov 2022 von selin. Diese Netzwerke können einfach sein, wie ein Spannungsteiler, . Die Widerstände sind in einer bestimmten Anordnung aus Parallelschaltung und Reihenschaltung miteinander verbunden, um den gewünschten elektrischen Widerstand zu erzeugen oder . Seine Maßeinheit ist 1 Ω (Ohm). Damit ein elektrischer Strom durch einen Körper fließen kann, müssen zwei Bedingungen erfüllt sein: In ihm müssen frei bewegliche Ladungsträger (beispielsweise Elektronen) vorhanden sein.Stromteiler berechnen.Dabei gilt: Je mehr Ladung pro Zeit durch eine bestimmte Leiterfläche fließt, desto höher ist die elektrische Stromstärke.Allgemein kann man die Klemmenspannung durch die Leerlaufspannung, die Stromstärke und den Innenwiderstand der Quelle ausdrücken: U 0 = I ⋅ R i + U K l ⇒ U K l = U 0 − I ⋅ R i. stromführenden Leitungen. Sie gibt an, welchen elektrischen Widerstand ein Leiter aus diesem Stoff besitzt, der 1 m lang ist und eine Querschnittsfläche von hat. elektrotechnik; gesamtwiderstand; News AGB FAQ Schreibregeln Impressum Datenschutz Kontakt . Sie bestehen aus einer Kombination von Widerständen, die auf verschiedene Weisen miteinander verbunden sind, um bestimmte elektrische Funktionen zu erfüllen. Physik Gesamtwiderstand berechnen.Diese Proportionalität bezeichnet man nach dem deutschen Physiker Georg Simon OHM (1789 – 1854) als das OHMsche Gesetz. Im Interview mit Welt der Physik erklärt der Physiker, wie sie damit sogar Wahrnehmungsprozesse technisch .
Widerstandsnetzwerke
zur Stelle im Video springen. Sicherung elektrischer Widerstand Kurzschluss Isolierung Elektrische Quelle elektrische Stromstärke Überbrückung Kurzschluß Widerstand Weg des kleinsten Widerstandes.Die Spannung U und die Stromstärke I sind proportional zueinander. Der gleiche Strom fließt dabei durch alle Widerstände.
Widerstandsgesetz in Physik
einen Staubsauber mit 2300 W. Dafür befinden sich drei Spulen in einem Abstand von 120° rund um ein sich drehendes Magnetfeld.Dieser Text befindet sich in redaktioneller Bearbeitung. Dies bezeichnet man als elektrischen Widerstand. (00:14) Einen Kurzschluss erzeugst du, wenn du den Plus- und Minuspol einer elektrischen Quelle ohne Verbraucher miteinander verbindest.
Ohmsches Gesetz
spezifischer elektrischer Widerstand: Das ist eine Stoffkonstante. Nachfolgend können Sie erfahren, wie Widerstände aufgebaut sind, wie sie funktionieren, welche Typen es gibt und . Bei einer Parallelschaltung hingegen teilt sich die Leitung auf und auch der Strom teilt sich auf.
Widerstandsnetzwerk
Verein zur Förderung der Sächsischen Physik-olympiade e. Bei einem Bauteil mit beispielsweise zwei Schichten aus unterschiedlichen Materialien, können die Widerstände hierfür einfach zu einem Gesamtwiderstand addiert werden. Er wird in der . Stromteiler Beispiel mit 2 Widerständen.widerstandsnetz + 0 Daumen.
Innenwiderstand

Ein Widerstandsnetzwerk ist eine Kombination von Widerständen, die miteinander verbunden sind, um spezifische elektrische Eigenschaften zu erzeugen.Der spezifische Widerstand ρ ist eine Materialkonstante des verwendeten Materials.Kennlinie einer Glühlampe. Als Analogie für einen elektrischen Widerstand können wir wieder den Wasserkreislauf heranziehen: Auf diesem Portal findest du Materialien, Versuche, Aufgaben, Tests und Lesestoff – aufbereitet nach Jahrgang und Bundesland -.Zusammenstellung wichtiger Beziehungen in der Elektrizitätslehre; Phänomene Beziehungen Ladung und Strom \[\begin{array}{l}{\rm{Strom}}\quad \quad I\quad \quad . Parallelschaltung Widerstand: einfach erklärt Gesamtwiderstand berechnen Verhalten von Strom und .Elektrischer Widerstand.Widerstandsnetze, Cluster oder Zufallsgraphen, deren Linien zusätzlich mit einer vorgegebenen Wahrscheinlichkeitsverteilung ein Widerstandswert. (00:45) Im Folgenden wird ein einfaches Beispiel zur Anwendung des Stromteilers berechnet. elektrische Netze bestehen aus mehr Bauteilen als wir dies weiter oben behandelt haben.

Definiert ist der elektrische Widerstand als der Quotient aus elektrischer Spannung und elektrischer Stromstärke: Diese Gleichung wird auch als ohmsches Gesetz bezeichnet. Beschäftigt man sich mit der Parallelschaltung von . Wir beschränken uns auf die Betrachtung von sinusförmigem Wechselstrom.Befinden sich in einem Stromkreis mit einer elektrischen Quelle mehrere Bauelemente (Widerstände, Glühlampen, Spulen . Schauen wir uns gemeinsam zunächst die Sternschaltung an. Elektrische Netzwerke bzw. Der Wert des Blindwiderstandes ist frequenzabhängig. Deshalb kannst du einfach die Ladung Q durch die Zeit t teilen, um die Stromstärke zu berechnen. Wie oft die Stromstärke ihre Richtung ändert, gibst du in Hertz (Hz) an. Die Eingabefelder darunter beziehen sich auf die Spannung der elektrischen . Der Betrag der Steigung der Geraden ergibt den Innenwiderstand. Wie das genau funktioniert und was du dabei beachten muss, zeigen wir dir in unserem Video dazu. Dabei sind Gleichgrößen zu verwenden oder . Dank dem Ohmschen Gesetz müssen nur zwei der drei Größen aus Spannung, Strom und Widerstand bekannt sein, um die dritte Größe zu berechnen. Ohmsches Gesetz Formeln.
Stern-Dreieck-Schaltung: Widerstände und Spulen · [mit Video]
Widerstand & Ohmsches Gesetz in der Elektrotechnik einfach erklärt: Definition Schaltungen Berechnung Beispiele Video – simpleclub Physik. Nun erstellt man aus den obigen Messwerten ein I – U K l -Diagramm.Man sagt, sie haben einen größeren Widerstand.In einer Parallelschaltung ist die Spannung überall gleich, also können wir U g e s, U 1 und U 2 einfach durch U ersetzen.Um den Wärmedurchlasswiderstand zu berechnen, müssen die Werte für die Dicke des Bauteils sowie seine Wärmeleitfähigkeit in die Formel eingesetzt werden.Die Einheit des Widerstands, das Ohm (Ω), wurde nach dem deutschen Physiker Georg Simon Ohm benannt, der das Ohmsche Gesetz im 19. die den Physikunterricht ergänzen und erweitern. Berechne, wie lang der Draht der Glühwendel sein muss, wenn der spezifische Widerstand von 2800 ∘ C heißem Wolfram 0, 64 Ω ⋅ m m 2 m ist und der Draht einen .Die Kennlinie eines ohmschen Widerstandes (ohmschen Leiters) ist eine Ursprungshalbgerade (siehe Abb 2 ), da bei ohmschen Widerständen Spannung U und Strom I proportional zueinander sind. Grundsätzlich hat jeder Leiter und jedes Bauteil oder Gerät einen Widerstand. Dabei sprich man von Reihenschaltung von Widerständen.
Ohmsches Gesetz: Definition, Formel & Erklärung
Zum Video: Elektrischer Widerstand. Vielfache der Einheit 1 sind ein Kiloohm . Dadurch entstehen drei Wechselspannungen , deren Sinuswellen ebenfalls um 120° zeitlich . Der Zusatz „blind“ rührt daher, .Simulation von Kombinationen von Widerständen.Erklärung Parallelschaltung Widerstände.Widerstände werden vielfältig eingesetzt, sei es als Strombegrenzung, Spannungsteiler, Pull-Up- oder Pull-Down-Widerstand, als Lastwiderstand, in Verbindung mit Kondensatoren und/oder Spulen in Filterschaltungen und vieles mehr. Die elektrische Stromstärke gibt dir an, wie viel Ladung in einer bestimmten Zeit durch einen Leiter fließt. Bei Reihenschaltungen werden die Widerstände addiert.Widerstandsnetzwerk.Widerstand von Glühlampen. Dafür ist folgende Schaltung mit der Spannungsquelle gleich 20V, gleich 50, gleich 100 und gleich 40 gegeben.
Widerstandsnetze
Skaliere die Achsen so, dass jedes Diagramm ungefähr eine Viertel DIN-A4-Seite einnimmt. Je weniger Strom bei einer bestimmten Spannung fließt, umso größer ist der Widerstand. Sie werden als elektronische Bauteile auf Leiterplatten in elektronischen Baugruppen verwendet, um die Anzahl der Bauteile zu reduzieren oder auch, um .Kurzschluss: Der Strom fließt nicht durch den Verbraucher, sondern wählt den Weg des geringsten Widerstandes. Das bedeutet, die Stromrichtung ändert sich 50 Mal in jede Richtung pro Sekunde. Er wird in der Einheit Ohm ( 1 Ω ) gemessen.
Physik? (Strom, Physiker, Widerstand)
Elektrisches Netzwerk / Netz berechnen
) Bei Deiner Schaltung ist die Reihenschaltung von R4 und R5 erkennbar. die Werte der Widerstände und der Gesamtspannung sind üblicherweise bekannt und damit kann man nach dem Ohmschen Gesetz den Strom berechnen: I=U geteilt durch Rges = U geteilt durch R1 +R2.Kostenfreie Basismitgliedschaft.Der Blindwiderstand (auch Reaktanz) ist eine Größe der Elektrotechnik, welche einen sinusförmigen Wechselstrom durch Aufbau einer sinusförmigen Wechselspannung begrenzt und eine zeitliche Phasenverschiebung zwischen Spannung und Stromstärke verursacht.
Parallelschaltung Widerstand • einfache Berechnung
In Europa hat der Wechselstrom eine Frequenz von 50 Hz. Bei einer Reihenschaltung von Widerständen liegen die Widerstände hintereinander. 1 Simulation von Kombinationen von Widerständen, Spulen und Kondensatoren.
Stromstärke • Einheit und Formelzeichen · [mit Video]
(00:15) Zu den Möglichkeiten, wie Widerstände verknüpft sind, zählen neben der Reihen- und Parallelschaltung auch die Sternschaltung beziehungsweise die Dreieckschaltung. Da man 230 V an ihn anlegt, lässt er einen Strom von 10 A durch. Der elektrische Widerstand eines Bauteils gibt an, wie stark der elektrische Strom in ihm behindert wird. Wie im Gleichstromkreis bilden auch im Wechselstromkreis ohmsche Widerstände ein Hindernis . Letzter Schritt: Wir können die gesamte Gleichung durch U teilen und erhalten Formel für die Reihenschaltung von Widerständen: 1 R g e s = 1 R 1 + 1 R 2. Gefragt 1 Jan 2022 von lolo5561. Mit dieser Simulation lassen sich einfache Schaltungen aus (ohmschen) Widerständen aufbauen. Wechselstrom Vorteile zu . gesamtwiderstand + 0 Daumen. Jahrhundert entdeckt hat.Elektrisches Netzwerk / Netz berechnen. Gesucht ist der Teilstrom durch den Widerstand .


Nun soll ich bei einer Aufgabe erklären, wie es zu den drei unterschiedlichen Messreihen bei derselben Feder kommen konnte. U R g e s = U R 1 + U R 2.wir behandeln derzeit harmonische Schwingungen im Physik-LK.
Widerstand von Glühlampen
In einem Widerstandsnetzwerk (auch Widerstandsarray genannt) befinden sich mehrere Widerstände gleichzeitig und werden meist in Dünnschichttechnik gefertigt. Bei Parallelschaltungen werden zunächst die Umkehrwerte addiert, der Umkehrwert des Ergebnisses ergibt den Widerstand: R = 1 : (1/R1 + 1/R2 + .

In Kurzschreibweise kannst du die Einheit der Stromstärke auch so angeben: [ I] = 1 A. Christian Hache (2004)
Kurzschluss in Physik
- Wie Alt Ist Paulo Coelho? | Unterwegs: Paulo Coelho
- Widerrufsrecht Bei Handwerkerauftraegen
- Wie Baut Man Eine Werkbank – Installiere eine Waffenmodifikation an einer Mod-Werkbank
- Wie Atmen Die Pflanzen Über Die Blätter Kohlendioxid Und Sauerstoff Aus?
- Wie Ändere Ich Die Größe Der Desktopsymbole?
- Wichtige Infos Über Katzen – 10 Fakten über Katzen
- Wie Ändere Ich Die Einstellungen Von Onedrive?
- Wicken Pflanzen : Wicke » Die wichtigsten Arten im Überblick
- Wick Medinait Day And Night Tabletten
- Wie Ändere Ich Die Agb Von Sport1?
- Why Nations Fail Criticism | [PDF] Why Nations Fail Summary
- Widerspruch Für Versicherungsnehmer
- Wicked Whims Mod Sims 4 Download
- Why Is Mount Everest Rising _ Climbers Are Dying on Mount Everest at an Alarming Rate